单通道接收机可以测向吗?
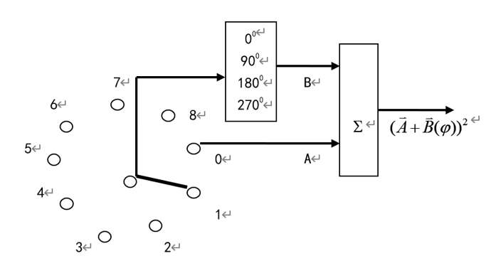
从手机基站定位、无人机导航,到军事上追踪敌方电台,再到无线电干扰排查,无线电测向技术无处不在 —— 它就像是一双神奇的 “眼睛”,让我们能 “看见” 看不见的电波来源。 要理解无线电信号的来波方向测量(简称 “无线电测向”),我们可以先从一个生活场景入手:当你听到身后有人喊你时,不用回头也能大致判断声音来自左边还是右边 —— 这是因为声音到达左右耳的时间和强度有微小差异,大脑会根据这些差异 “计算” 出声源方向。 无线电测向的原理其实和人类 “双耳定位” 很像,只不过把 “耳朵” 换成了接收无线电信号的天线,把 “大脑” 换成了信号处理器。人类用两只耳朵实现听声辨位,我们直观感觉也要有多个通道的接收机才能实现无线电测向,那单通道无线电接收机,可以用于无线电测向吗? 下面我们一起探究一下吧! 无线电波是一种电磁波,它的传播有个关键特性:在均匀介质(比如空气)中近似直线传播,且速度和光速差不多(约 30 万公里 / 秒)。就像手电筒的光沿直线照出一样,无线电波从发射源发出后,也会沿直线向四周扩散。 这个特性很重要 —— 正因为它 “走直线”,我们才能通过测量信号的传播路径差异,反推出它的起点方向。 人类靠两只耳朵定位,无线电测向则需要 “多个天线” 组成的 “接收阵列”。这些天线就像分布在不同位置的 “耳朵”,它们接收同一信号时会产生多种可测量的差异(强度、相位、时间),测向技术就是通过捕捉这些差异来算方向的。 目前,比较精确的测向方法是利用多个天线的相位差。无线电波是一种周期性振动的波(类似水波),“相位” 可以理解为它的 “振动步调”—— 就像两个人走路,一个迈左脚时另一个可能迈右脚,这就是步调(相位)不同。 1.相位差测向基本原理 如图1所示,两根天线的距离为D,信号的来波方向为θ(相对于正北的顺时针角度),信号到达两根天线的路程差异为L,则 如何将距离差L转换为相位差呢? 首先,我们需要知道“波长”“频率”的定义。 波长:电磁波在一个振动周期内传播的距离; 频率:无线电波在1秒内完成周期性振动的次数。 设信号频率为f,根据“光速=波长*频率”进行计算,则 将式(1)代入式(2),则 测量出信号到达两个天线的相位差φ,则可以计算出信号的来波方向 2.单通道接收机如何实现测向 通过上述讨论,我们知道,要实现方向测量必须有多根天线,因此单通道接收机依然配置的是多根天线组成的天线阵。根据无线电信号的频段和测向精度要求,测向天线阵有多种形态,如圆阵、L阵、线阵等;天线阵的尺寸也有多种。为了方便描述,以下都以常用的9元圆阵进行描述。 图2为单通道相关干涉仪测向结构图,搭配9元圆阵天线,天线后端配置移相器和合路器,最终输出一路合路后的信号到单通道接收机,则可以实现单通道测向,具体原理如下: 图2.单通道相关干涉仪测向结构 单信道干涉仪测向以9元圆阵天线为例,这9个天线元得编号为0到8,其中,0号天线为参考天线。 参考天线所接收的信号同其它八个天线中的每一个所接收的信号均以下述方式合成。现以1号天线为例来说明这种合成方法。1号天线所接收的信号 移相0°时,所得数值为 移相90°时,所得数值为 移相180°时,所得数值为 移相270°时,所得数值为 由式(5)-式(7)得: 由式(6)-式(8)得: 由式(9)÷式(10)得: 同样的,2-8号天线所接收的信号分别与参考天线所接收到的信号按上述方式合成,也得到(11)这样的关系式,由(11)式求得两天线接收到信号的相位差,代入式(4)可以计算出信号的来波方向。 总结: 无线电测向的本质就是:用多个天线捕捉同一信号的差异(强度、相位、时间),通过这些差异反推信号的直线传播路径,最终确定它来自哪个方向。所以,多个天线是必然的条件,然而,就像我们人类的两个耳朵通过神经系统连到一个大脑一样,多个天线也可以通过专用射频网络(移相器与合路器)接入到一个接收机中去,再通过特定的测向算法,就可以对无线电信号的精确测向! 综上所述,单通道接收机配套具备移相器与合路器的多元天线阵是可以实现无线电信号测向的! 祯仪科技全系单通道接收组件可以通过选配合作厂家的测向天线阵,即可实现优异的测向效果,欢迎垂询。 成都祯仪科技有限公司,是⼀家专业从事宽频段⽆线电信号接收及信号分析设备研发、⽣产及服务的⾼科技公司。公司具备研制和⽣产制造精密射频变频接收机,及相关⾼速数字信号处理的核⼼能⼒。专注于为⽆线电管理、信号侦查与分析、通⽤频谱分析、卫星导航监测、低空复杂电磁环境保障等领域,提供性能极致、价格优异的数字化⽆线电射频接收组件。助⼒⽤⼾聚焦核⼼业务应⽤开发,及时响应终端⽤ ⼾业务需求,共同创造业务价值。
,其中C为光速,λ为波长(波一个周期时间传播的距离)。无线电信号的相位周期为2π,则距离差L对应的相位差



与参考天线所接收的信号A的合成分为4个时隙进行。在第一个时隙,
直接与A合成,在第二、三、四个时隙
分别移相90°、180°、270°后和A合成,得
(5)
(6)
(7)
(8)
(9)
(10)
(11)
Recommend
-
-
QQ Zone
-
Sina Weibo
-
Renren.com
-
Douban
